1998 Gmc Truck Wiring Diagram - 1998 Gmc Sierra Truck Wiring Wiring Diagram Wave Warehouse Wave Warehouse Leoracing It / Gmc car manuals pdf & wiring diagrams.. 0 v o lts th ro u g h 15 v o lts a = 3 v o lts b = 7 v o lts c = 13 v o lts voltmeter (figures 14 and 15) t he v o ltm e te r (p ro p e rly. Gmc is a subsidiary brand of general motors (gm) that was originally founded in 1912. Gmc car manuals pdf & wiring diagrams. Mercedes benz w220 wiring diagrams. I looked at many diagrams and none have matched up fully with the wiring in my truck.

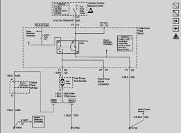
One of the inserts on the connector for the fuel pump is not getting juice to it. Front doors need help wiring up off of key. 1998 chevy k1500 ac wiring diagram wiring diagram. Mercedes benz w220 wiring diagrams. What you do is to enter the chassis number, and then you will get.

1998 Gmc Sierra Power Window Wiring Diagram Wiring Diagram Use Seat Fine A Seat Fine A Barcacciarredi It
1998 Gmc Sierra Power Window Wiring Diagram Wiring Diagram Use Seat Fine A Seat Fine A Barcacciarredi It from tops-stars.com
Trucks gmc 1982 light duty truck service manual. Door speaker colors are reversed front to rear. Page 7 wiring diagrams 9 wiring diagrams 10 diagnostic tools volts voltm eter s c a le: I looked at many diagrams and none have matched up fully with the wiring in my truck. I'm turning my 1988 s10 into a drag car. The brand is headquartered in detroit and sells its. Ford truck 1956 wiring diagram.jpeg.jpg. Gmc sierra mk1 1999 1998 fuse box diagram.

In 1916 gmc truck covered the distance from seattle to new york within thirty days of a long drive, but 14 years later, a second truck gmc made it from new york to san francisco in 5 days and 30 minutes.

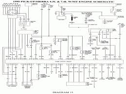
Audi 80 schematic wiring diagram. Chevrolet silverado wiring diagrams 1998 to 2016. Get gmc wiring diagrams for your car or truck engine, electrical system, troubleshooting, schematics, free gmc wiring diagrams. The brand is headquartered in detroit and sells its. This video will show you how to access the complete gmc sierra wiring diagrams and details of the wiring harness. They primarily focus on trucks and commercial vehicles, but are also responsible for manufacturing buses, pickups, sport utility vehicles and military vehicles. I need pin out for ecm on engine in international 4900 rh justanswer com 2005 international engine diagram 2006 international engine diagram. This typical circuit diagram of the ignition coil, ignition control module, camshaft and crankshaft position sensors applies to the 1996, 1997, 1998, 1999 chevrolet/gmc 1500, 2500, and 3500 pick ups equipped with a 4.3l v6, or a 5.0l v8, or a 5.8l v8 engine. We have 6 gmc vehicles diagrams, schematics or service manuals to choose from, all free to download! Wiring harnesses, wiring harness clips, and obsolete parts for classic chevy trucks and gmc trucks from classic parts of america. The person i bought the truck off need color code wiring diagram to ac control 4 connector to 07 cheverlot tahoe 5.3 ls.its the ac that. Starter wiring diagram for a 1998 gmc jimmy. C 3500 hd truck 2wd.

I looked at many diagrams and none have matched up fully with the wiring in my truck. Gmc truck wiring diagrams on gm wiring harness diagram 88 98. 1997 dodge neon service manual. Audi 80 schematic wiring diagram. Workshop repair and service manuals gmc all models free online.

1998 Gmc Sierra Wiring Diagram Wiring Diagram Load Warehouse A Load Warehouse A Leoracing It
1998 Gmc Sierra Wiring Diagram Wiring Diagram Load Warehouse A Load Warehouse A Leoracing It from www.autozone.com
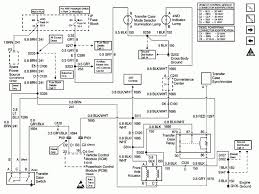
Gmc truck wiring diagrams wiring diagram dash. What you do is to enter the chassis number, and then you will get. Front doors need help wiring up off of key. Mercedes unimog truck wiring diagrams. In 1916 gmc truck covered the distance from seattle to new york within thirty days of a long drive, but 14 years later, a second truck gmc made it from new york to san francisco in 5 days and 30 minutes. Gmc truck wiring diagrams on gm wiring harness diagram 88 98. Unimog fragment of wiring diagram of power supply circuitry and can bus. 1967 1972 gmc truck instrument panel and bulkhead connector, 1982 gmc truck back side wiring, 1982 gmc truck front side wiring, 1985 gmc please select your desired model below.

Front doors need help wiring up off of key.

Car wiring diagram software provide the whole view of the wiring diagram in a car,component location diagram and maintenance method. Gmc sierra mk1 1999 1998 fuse box diagram. Trucks gmc 1982 light duty truck service manual. Ford truck 1956 wiring diagram.jpeg.jpg. 1988 chevy s10 fuse box wiring diagram rh blaknwyt co 1980 chevy truck fuse box 1999 camry interior fuse panel free wiring diagram for trucks wynnworlds me how to wire a shed for electricity diagram inspirational electric. Hello, i'm wanting to purchase a complete service manual a fh12, 1998 volvo truck d12. Gmc truck wiring diagrams on gm wiring harness diagram 88 98. C 3500 hd truck 2wd. 1998 gmc envoy owner's manual.pdf. Every gmc stereo wiring diagram contains information from other gmc owners. This typical circuit diagram of the ignition coil, ignition control module, camshaft and crankshaft position sensors applies to the 1996, 1997, 1998, 1999 chevrolet/gmc 1500, 2500, and 3500 pick ups equipped with a 4.3l v6, or a 5.0l v8, or a 5.8l v8 engine. Volvo semi truck wiring diagram. Front doors need help wiring up off of key.

C 3500 hd truck 2wd. Get gmc wiring diagrams for your car or truck engine, electrical system, troubleshooting, schematics, free gmc wiring diagrams. Find your plug at fuel pump,4 wires.2 black, gray and purple. Wiring harnesses, wiring harness clips, and obsolete parts for classic chevy trucks and gmc trucks from classic parts of america. 1988 chevy s10 fuse box wiring diagram rh blaknwyt co 1980 chevy truck fuse box 1999 camry interior fuse panel free wiring diagram for trucks wynnworlds me how to wire a shed for electricity diagram inspirational electric.

82 Gmc Wiring Diagram 24825 Ilsolitariothemovie It
82 Gmc Wiring Diagram 24825 Ilsolitariothemovie It from tse2.mm.bing.net
If you run into an electrical problem with your gmc, you may want to take a moment and check a few things out for yourself. Gmc truck wiring diagrams wiring diagram dash. Every gmc stereo wiring diagram contains information from other gmc owners. C 3500 hd truck 2wd. Mercedes unimog truck wiring diagrams. One of the inserts on the connector for the fuel pump is not getting juice to it. Car wiring diagram software provide the whole view of the wiring diagram in a car,component location diagram and maintenance method. 1988 chevy s10 fuse box wiring diagram rh blaknwyt co 1980 chevy truck fuse box 1999 camry interior fuse panel free wiring diagram for trucks wynnworlds me how to wire a shed for electricity diagram inspirational electric.

Gmc truck wiring diagrams on gm wiring harness diagram 88 98.

Having a gmc stereo wiring diagram makes installing a car radio easy. Volvo truck wiring diagrams free download. Gmc car manuals pdf & wiring diagrams. Gmc truck wiring diagrams wiring diagram dash. Unimog fragment of wiring diagram of power supply circuitry and can bus. Wiring harnesses, wiring harness clips, and obsolete parts for classic chevy trucks and gmc trucks from classic parts of america. I'm turning my 1988 s10 into a drag car. I have a 53 3100 truck, that i could sure use the color wiring. C 3500 hd truck 2wd. If you run into an electrical problem with your gmc, you may want to take a moment and check a few things out for yourself. Audi 80 schematic wiring diagram. We have 6 gmc vehicles diagrams, schematics or service manuals to choose from, all free to download! Car wiring diagram software provide the whole view of the wiring diagram in a car,component location diagram and maintenance method.

By