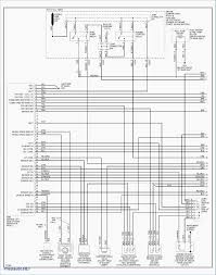
2000 Hyundai Tiburon Engine Diagram - 2006 Hyundai Elantra Engine Diagram Wiring Diagram Switches Upon Switches Upon Exitmedia It : The tiburon 2.7 delta engine can be found in the following vehicles:. Does anybody have an image file or pdf of a wiring diagram for infinity stereo system that came factory in a 01 tibby 3 answers. Wiring diagrams hyundai by year. Download 2000 hyundai tiburon engine diagram for free. I am getting a stereo for my car, and i wanna install it my self. All formats available for pc, mac, ebook readers and other mobile devices.

Enthusiasts sometimes refer to the tiburon by the nickname 'tib' or 'tibby'. Hyundai tiburon repair manuals & wiring diagrams. We're going to see what our dad has to say. Do i need to change th. 2000 hyundai tiburon engine swap.

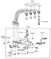
2000 Hyundai Tiburon Serpentine Belt Routing And Timing Belt Diagrams
2000 Hyundai Tiburon Serpentine Belt Routing And Timing Belt Diagrams from www.2carpros.com
The tiburon looks to thrill, but there's more excitement in the sonata. The hyundai tiburon is a sport compact coupe produced by hyundai since 1996. Turn signals not working turn signals are not working; Enthusiasts sometimes refer to the tiburon by the nickname 'tib' or 'tibby'. 2000 hyundai tiburon engine swap. All formats available for pc, mac, ebook readers and other mobile devices. General (3) body (interior & exterior) (1) body electrical system (31) brake systems (5) engine electrical system (4) engine mechanical system (1) fuel system (2) heating, ventilation & air conditioning (1). Showing the 2000 hyundai tiburon base pkg 1, 2 & 5 2dr coupe.

Request a dealer quote or view used cars at msn autos.

23 mpg city / 32 mpg hwy. 363 results for 2000 hyundai tiburon manifold. Get detailed information on the 2000 hyundai tiburon base including features, fuel economy, pricing, engine, transmission, and more. Severe engine and transaxle damage may result from the use of poor quality fuels and lubricants that do not meet hyundai specifications. Each hyundai repair manual contains the detailed description of works and wiring diagrams. Hyundai tiburon repair manuals & wiring diagrams. 2:16 auto elaborate 11 160 просмотров. 2000 hyundai tiburon engine swap. Does anybody have an image file or pdf of a wiring diagram for infinity stereo system that came factory in a 01 tibby 3 answers. Check out cuda2 2000 hyundai tiburon in regina,sk for ride specification, modification info and photos and follow cuda2's 2000 hyundai tiburon for updates at cardomain. The engine revs to about 2000 rpms and slowly drops back to an normal idle. 2004 hyundai tiburon it looks like a 4, but i am told it is a v6. Tiburon /coupe forums discussion area for every generation hyundai tiburon and hyundai coupe.

The tsb summary will display the defective part and the manufacturers involved. Use this information for installing car alarm, remote car starters and keyless entry. Click here to download hyundai coupe tiburon engine electrical systemservice manual. Get detailed information on the 2000 hyundai tiburon base including features, fuel economy, pricing, engine, transmission, and more. 현대 티뷰론) known in europe as the hyundai coupé (현대 쿠페) is a sports coupe that was produced by the south korean manufacturer hyundai from 1996 to 2008.

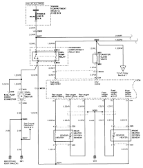
Hyundai Tiburon Vacuum Diagram Wiring Diagram Recent Dog Adapter Dog Adapter Cosavedereanapoli It
Hyundai Tiburon Vacuum Diagram Wiring Diagram Recent Dog Adapter Dog Adapter Cosavedereanapoli It from oem.alpics.info
Based on the current elantra platform, this car is front wheel drive. However, sometimes they do for a few minutes. Hyundai tiburon repair manuals & wiring diagrams. The tiburon 2.7 delta engine can be found in the following vehicles: The tsb summary will display the defective part and the manufacturers involved. 현대 티뷰론) known in europe as the hyundai coupé (현대 쿠페) is a sports coupe that was produced by the south korean manufacturer hyundai from 1996 to 2008. 2000 hyundai elantra engine diagram | automotive parts. Wiring diagrams hyundai by year.

We're going to see what our dad has to say.

It looks like a 4, but i am told it is a v6. The tiburon 2.7 delta engine can be found in the following vehicles: Hyundai tiburon repair manuals & wiring diagrams. Severe engine and transaxle damage may result from the use of poor quality fuels and lubricants that do not meet hyundai specifications. 397 x 465 jpeg 124 кб. Turn signals not working turn signals are not working; Request a dealer quote or view used cars at msn autos. Each hyundai repair manual contains the detailed description of works and wiring diagrams. Visit cars.com and get the latest information, as well as detailed specs and features. Compare 2000 hyundai tiburon different trims: I have only the photos to go by, so it's hard to tell. Get detailed information on the 2000 hyundai tiburon base including features, fuel economy, pricing, engine, transmission, and more. Enthusiasts sometimes refer to the tiburon by the nickname 'tib' or 'tibby'.

However, sometimes they do for a few minutes. 2004 hyundai tiburon it looks like a 4, but i am told it is a v6. Hyundai elantra tiburon jdm g4gc l4 2 0l engine wiring ecu. The engine revs to about 2000 rpms and slowly drops back to an normal idle. 363 results for 2000 hyundai tiburon manifold.

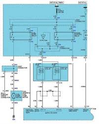
1997 Hyundai Tiburon Engine Diagram Wiring Diagram Ground Gudu Ground Gudu Ristorantegorgodelpo It
1997 Hyundai Tiburon Engine Diagram Wiring Diagram Ground Gudu Ground Gudu Ristorantegorgodelpo It from dz310nzuyimx0.cloudfront.net
2000 hyundai elantra engine diagram | automotive parts. The tiburon is often a forgotten car, overshadowed by more youthful players such as the scion tc and honda civic si. Showing the 2000 hyundai tiburon base pkg 1, 2 & 5 2dr coupe. I am getting a stereo for my car, and i wanna install it my self. Get detailed information on the 2000 hyundai tiburon base including features, fuel economy, pricing, engine, transmission, and more. This manual applies to all hyundai tiburon models and includes descriptions and explanations of optional as well as standard equipment. Each hyundai repair manual contains the detailed description of works and wiring diagrams. The tiburon looks to thrill, but there's more excitement in the sonata.

Based on the current elantra platform, this car is front wheel drive.

Does anybody have an image file or pdf of a wiring diagram for infinity stereo system that came factory in a 01 tibby 3 answers. Each hyundai repair manual contains the detailed description of works and wiring diagrams. Hyundai elantra tiburon jdm g4gc l4 2 0l engine wiring ecu. Severe engine and transaxle damage may result from the use of poor quality fuels and lubricants that do not meet hyundai specifications. However, sometimes they do for a few minutes. 2:16 auto elaborate 11 160 просмотров. 2004 hyundai tiburon it looks like a 4, but i am told it is a v6. 2000 hyundai tiburon engine swap. 23 mpg city / 32 mpg hwy. Tiburon /coupe forums discussion area for every generation hyundai tiburon and hyundai coupe. Do i need to change th. Results for 2000 hyundai tiburon engine diagram. Compare 2000 hyundai tiburon different trims:

By